ログイン Contact お問い合わせ

レバー形リミットスイッチ

防爆リミットスイッチ(粉じん防爆、レバー式)

防爆リミットスイッチ(粉じん防爆、レバー式) | 産業用制御機器 特設サイト

LSGY小形粉じん防爆リミットスイッチは、レバーの動作により接点の開閉信号を出力する位置検出用スイッチです。移動設備の自動停止や停止位置の検出に使用され、産業機械の安全操業に貢献します。

防爆記号 Ex tb IIIC T5 70℃ Db に対応し、導電性粉じんを含む粉じん爆発危険場所(ゾーン21)でも使用可能です。

小形・高信頼設計により、火力発電所をはじめとする粉じん環境下での安全な設備運用を支えます。

ラインナップ

レバー形リミットスイッチは、その用途や目的により使用するタイプが異なります。

使用用途に合わせて、レバー形状を選ぶことが可能です。

ケーブルグランド付仕様のみのご提供となります。

  • LSGY-B-1S100
(ショートレバー、ケーブルグランドG3/4) | 産業用制御機器 特設サイト

    LSGY-B-1S100
    (ショートレバー、ケーブルグランドG3/4)

  • LSGY-B2-1S100
(ショートレバー、ケーブルグランドG1/2) | 産業用制御機器 特設サイト

    LSGY-B2-1S100
    (ショートレバー、ケーブルグランドG1/2)

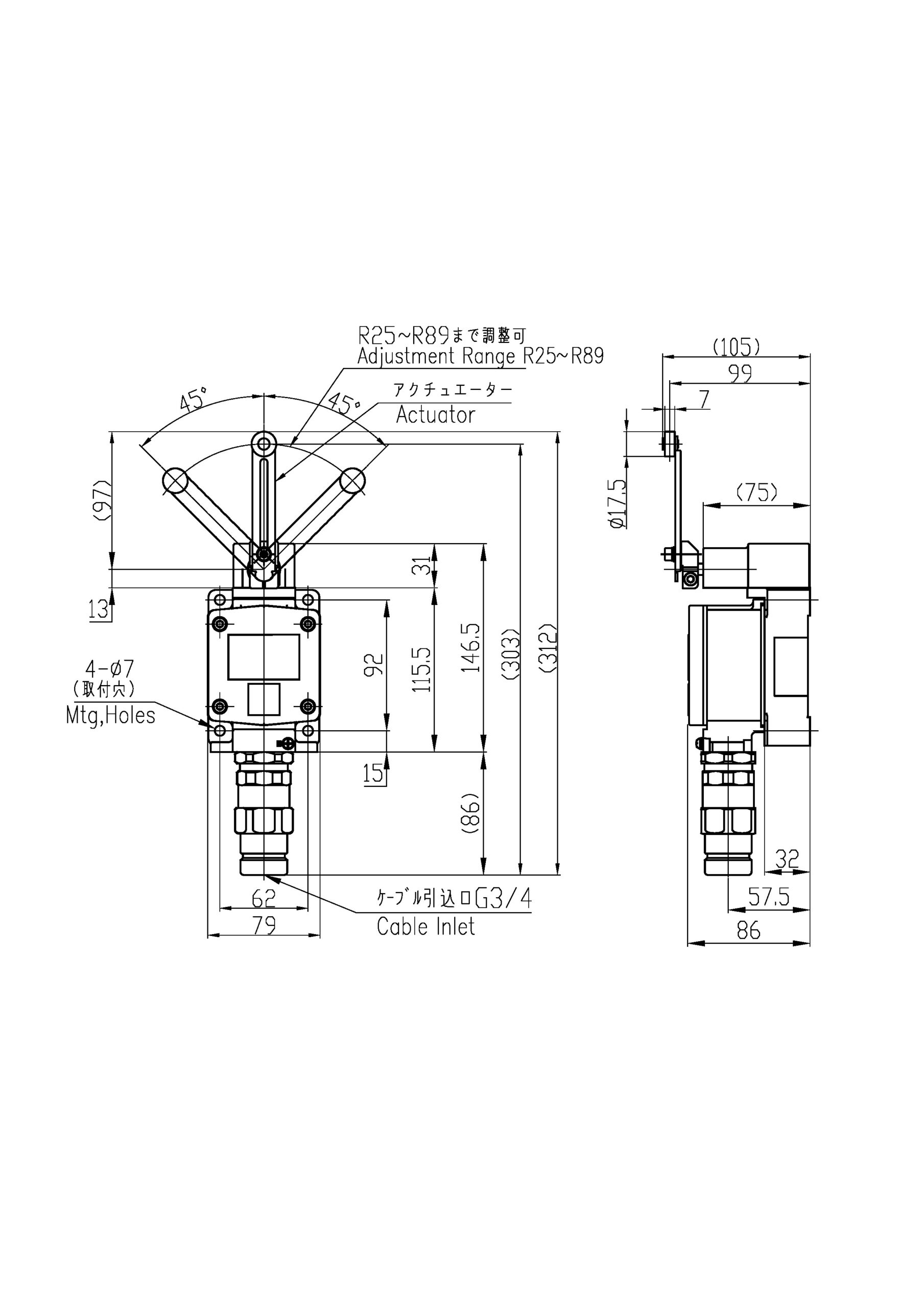
  • LSGY-B-2S100
(可変レバー、ケーブルグランドG3/4) | 産業用制御機器 特設サイト

    LSGY-B-2S100
    (可変レバー、ケーブルグランドG3/4)

  • LSGY-B2-2S100
(可変レバー、ケーブルグランドG1/2) | 産業用制御機器 特設サイト

    LSGY-B2-2S100
    (可変レバー、ケーブルグランドG1/2)

仕様

項目内容
レバー部アクチュエータローラ付レバー
動作角度60°(最大)
動作方式自動復帰
接点部使用定格AC110V/3A AC220V/2A
DC110V/0.2A DC220V/0.1A
接点数1C接点
端子ねじM4
本体部ケースアルミ合金
塗装色5Y7/1近似
ケーブル引込口耐圧パッキン方式
LSGY-B-□:G3/4
LSGY-B2-□:G1/2
共通仕様防爆構造(保護構造)Ex tb IIIC T5 70℃ Db(IP65相当)
使用周囲温度-20℃~+40℃ (氷結が無いこと)
取付ねじ4-M6 (供給外)
絶縁耐力AC1500V 1min.
絶縁抵抗100MΩ以上 (DC500Vメガー)
寿命機械的100万回 電気的50万回

資料ダウンロード

CAD図と防爆検定証は登録制になります。
会員限定資料についてはログインしてからダウンロードしてください。