回転式リミットスイッチ(ギヤ式)

回転式リミットスイッチとは、備え付けの連結軸より回転動作を検出し、内部のカムを介して接点(スイッチ)の開閉信号を出力させる装置です。
設備の回転動作を検出し、特定の位置や動作範囲を制御するために使用されます。産業機械などの安全操業に活躍しており、港湾のクレーンやコンベアなど様々な場所で使用されております。
寒冷地、熱帯地向けに特別仕様も準備しておりますので過酷な環境下でも安心してご使用いただけます。
ラインナップ
お客様の使用用途に応じて、接点数をお選びいただけます。
また、減速比もお選びいただけます。
LW-2RG
(2接点式、防雨形)
LW-4RG
(4接点式、防雨形)
LW-6RGTB
(6接点式、防水強化形)
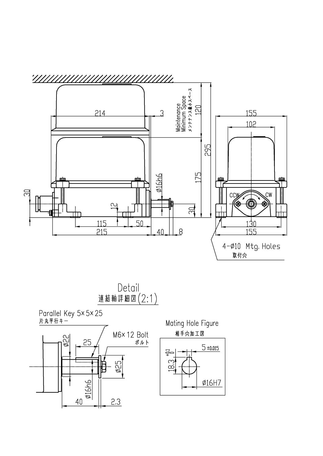
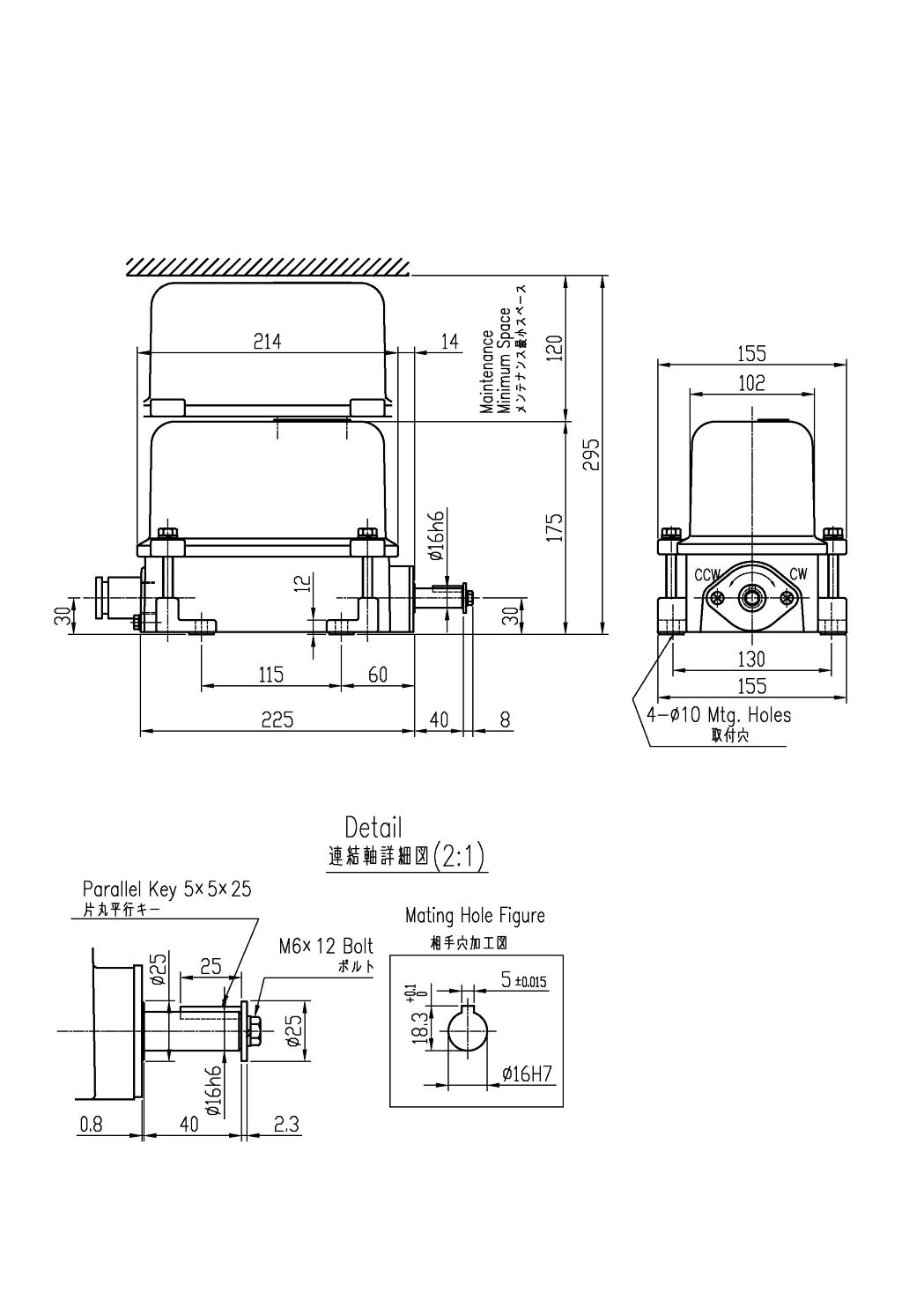
仕様
| 項目 | 内容 | |
|---|---|---|
| 入力軸 | 軸径 | φ16 |
| 最大回転数 | 50回転 ※減速比1/60の場合 (カム軸回転角度300°) |
|
| 減速比 | 1/60 (標準) ※ウォーム減速 (1/15、1/30、1/100製作可) |
|
| 接点部 | 使用定格 | AC125V/10A AC250/10A AC500V/2A |
| 使用接点 | Z形マイクロスイッチ | |
| 接点数 | 2接点 4接点 6接点 8接点 10接点 12接点 | |
| 端子ねじ | M4 | |
| 本体部 | ケース | アルミ合金 |
| 塗装色 | 5Y7/1近似 | |
| ケーブル引込口 | 2接点式:A20c (標準) 4接点式:2-A20c (標準) 6~12接点式:2-A25a (標準) |
|
| 共通仕様 | 保護構造 | IP54相当 防水強化形:IP66相当 |
| 使用周囲温度 | -10℃~+80℃ (氷結が無いこと) | |
| 取付ねじ | 4-M8 (供給外) | |
| 絶縁耐力 | AC2000V 1min. | |
| 絶縁抵抗 | 100MΩ以上 (DC500Vメガー) | |
| 寿命 | 機械的100万回 電気的50万回 | |
バリエーション(耐環境形)
ご使用の環境に合わせ防水強化形、耐熱仕様、耐寒仕様もオーダーメイドで製作しております。
LW-2RGT
(防水強化形)
LW-2RGH
(耐熱仕様 ~+180度)
LW-2RGC
(耐寒仕様 -25度~)
カムの調整について
大幅なカム調整
左の写真のようにナットを付属工具で緩めると、カムは任意の位置に移動できます。
おおよそのカムの位置が決まりましたら、ナットを確実に締めてください。
ナット締め付け後は、カムを指で強く回転方向に押してもずれないことを確認してください。
※カムが緩んでいる状態であると、誤動作の原因となります。
カムの微調整
はじめに、アクチュエータ部の固定ねじを緩めてください。
調整ねじをマイナスドライバーにて回すと、アクチュエータが上下します。
アクチュエータが上下することで、アクチェータとカムの動作位置を微調整できます。
調整範囲は、カム軸回転角度で±4°以内の調整が可能です。
資料ダウンロード
CAD図と防爆検定証は登録制になります。
会員限定資料についてはログインしてからダウンロードしてください。
株式会社
カムの微調整