ベルト片寄り検出器

ベルト片寄スイッチは、タッチローラーが傾くことで接点(スイッチ)の開閉信号を出力させる装置です。
コンベヤベルトの蛇行(片寄り)を検出し、停止することで機械の損傷、荷こぼれなどのトラブルを防ぐことができます。
ラインナップ
お客様の使用用途に応じて、仕様をお選びいただけます。
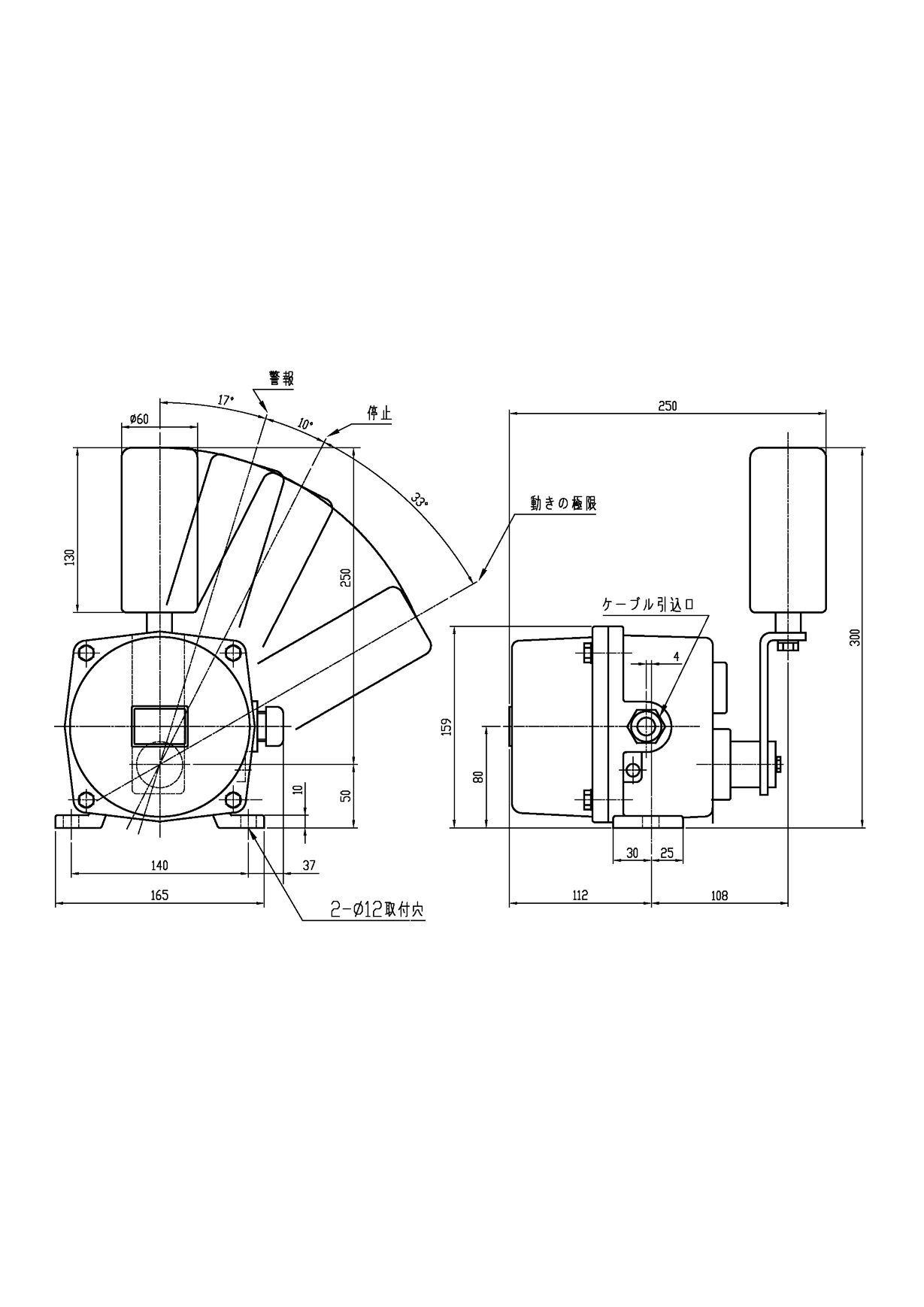
LB-2B1
(警報(17°)・停止(27°))
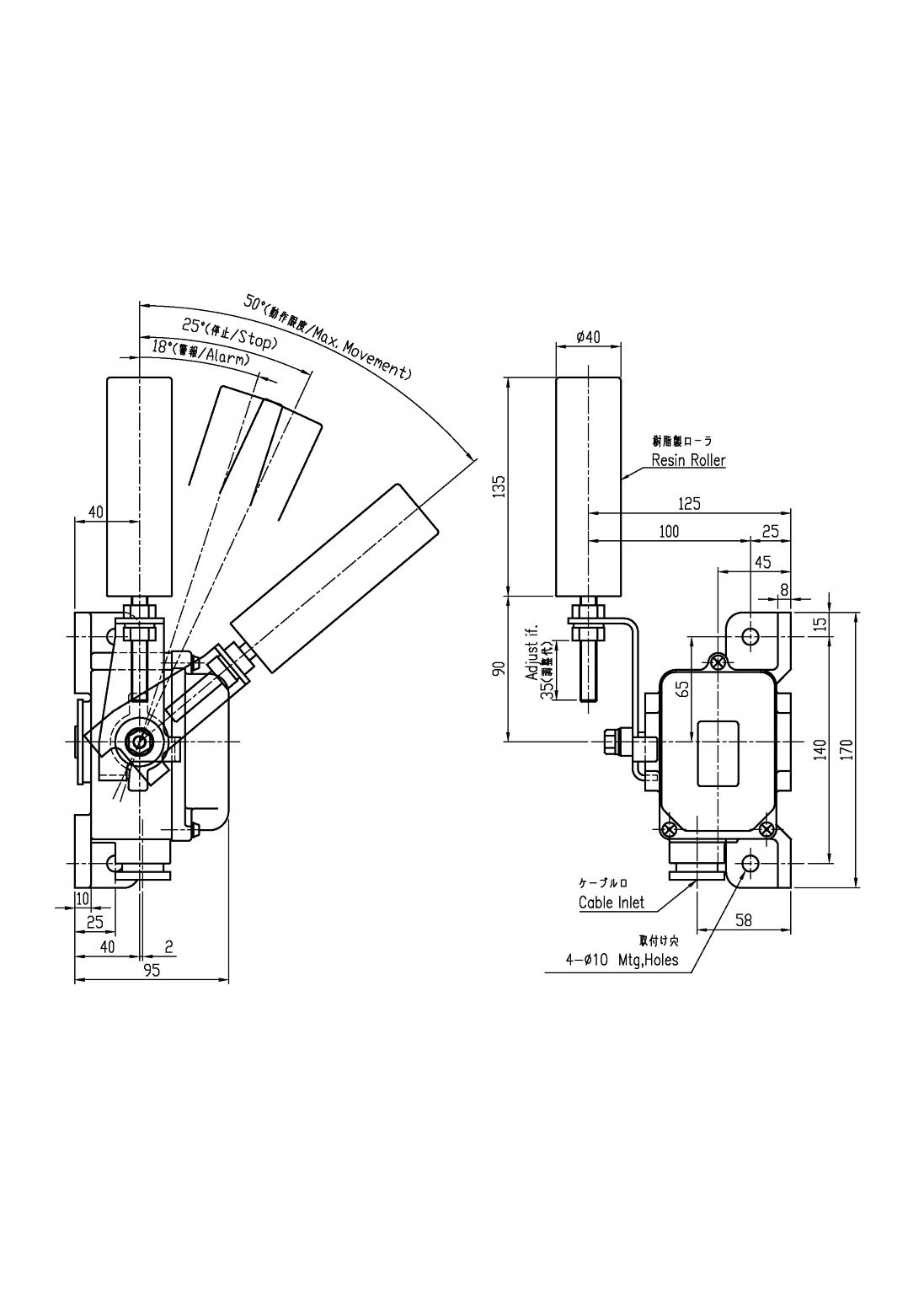
LWIO-B
()
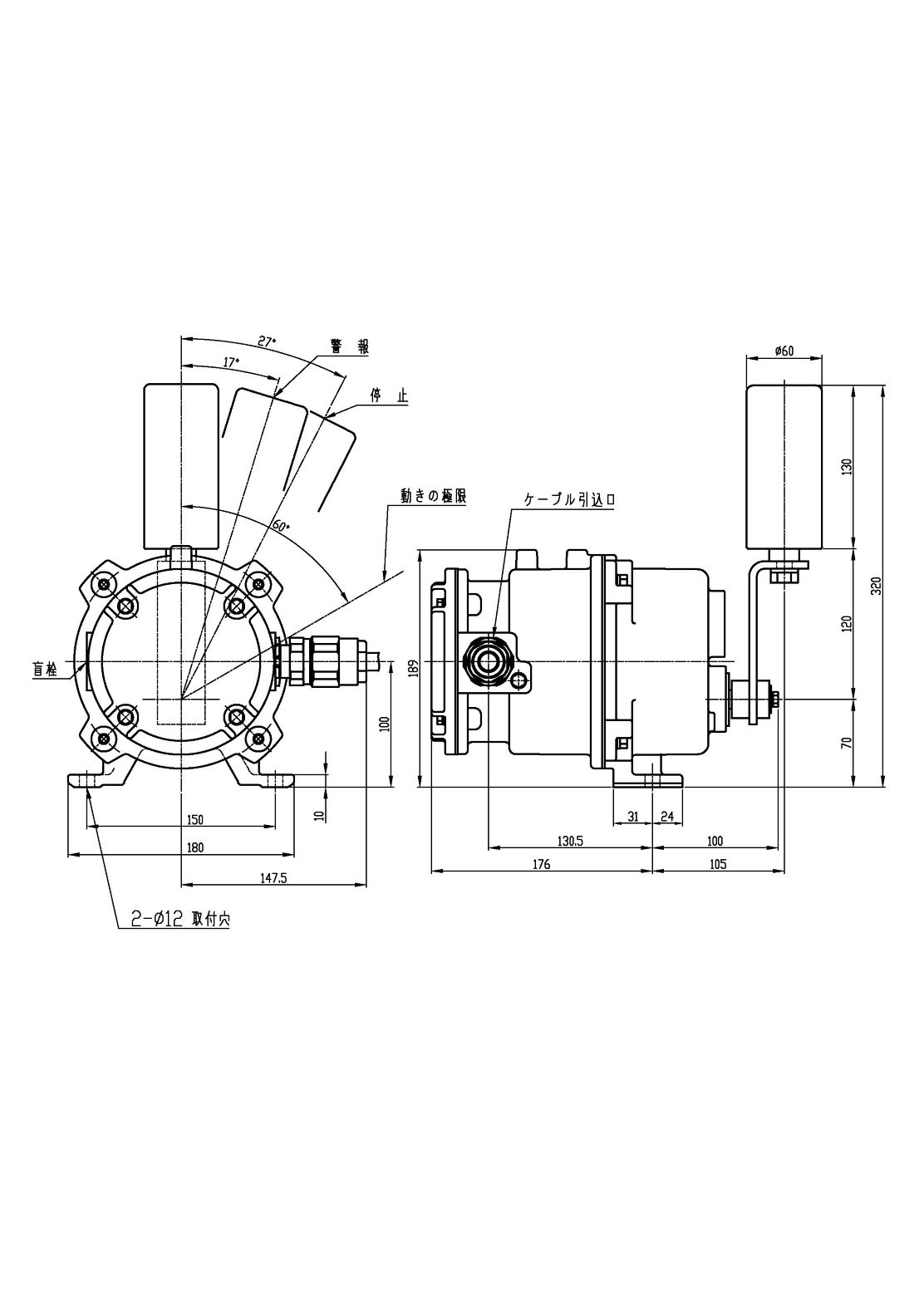
LYBA
(警報(17°)・停止(27°)、粉じん防爆SDP-13)
仕様
LB
| 項目 | 内容 | |
|---|---|---|
| レバー部 | アクチュエータ | 鉄製タッチローラ |
| 操作力 | 最大196N㎝ | |
| 動作角度 | 60°(最大) | |
| 動作方式 | 自動復帰 | |
| 接点部 | 使用定格 | AC125V/10A AC250/10A AC500V/2A |
| 使用接点 | Z形マイクロスイッチ | |
| 接点数 | 2接点 | |
| 端子ねじ | M4 | |
| 本体部 | ケース | アルミ合金 |
| 塗装色 | 5Y7/1近似 | |
| ケーブル引込口 | φ12~14、G1/2(標準) | |
| 共通仕様 | 保護構造 | IP65相当 |
| 使用周囲温度 | -10℃~+80℃ (氷結が無いこと) | |
| 取付ねじ | 2-M10 (供給外) | |
| 絶縁耐力 | AC2000V 1min. | |
| 絶縁抵抗 | 100MΩ以上 (DC500Vメガー) | |
| 寿命 | 機械的100万回 電気的50万回 | |
LWIO-B
| 項目 | 内容 | |
|---|---|---|
| レバー部 | アクチュエータ | 樹脂製タッチローラ |
| 操作力 | 最大127N㎝ | |
| 動作角度 | 50°(最大) | |
| 動作方式 | 自動復帰 | |
| 接点部 | 使用定格 | AC110V/10A AC220/5A AC440V/2.5A DC110V/0.2A DC220V/0.1A |
| 接点数 | 2接点 | |
| 端子ねじ | M5 | |
| 本体部 | ケース | アルミ合金 |
| 塗装色 | 5Y7/1近似 | |
| ケーブル引込口 | φ12~14、G3/4(標準) | |
| 共通仕様 | 保護構造 | IP66相当 |
| 使用周囲温度 | -10℃~+80℃ (氷結が無いこと) | |
| 取付ねじ | 2-M8 (供給外) | |
| 絶縁耐力 | AC2000V 1min. | |
| 絶縁抵抗 | 100MΩ以上 (DC500Vメガー) | |
| 寿命 | 機械的100万回 電気的50万回 | |
LYBA
| 項目 | 内容 | |
|---|---|---|
| レバー部 | アクチュエータ | 鉄製タッチローラ |
| 操作力 | 最大196N㎝ | |
| 動作角度 | 60°(最大) | |
| 動作方式 | 自動復帰 | |
| 接点部 | 使用定格 | AC110V/10A AC220/10A AC440V/5A |
| 使用接点 | Z形マイクロスイッチ | |
| 接点数 | 2接点 | |
| 端子ねじ | M4 | |
| 本体部 | ケース | 鋳鉄 |
| 塗装色 | 5Y7/1近似 | |
| ケーブル引込口 | P:電線管ねじ結合方式 G3/4(標準) C:耐圧パッキン方式 φ12~14、G3/4(標準) |
|
| 共通仕様 | 防爆構造 | SDP-13(IP65相当) |
| 使用周囲温度 | -10℃~+40℃ (氷結が無いこと) | |
| 取付ねじ | 2-M10 (供給外) | |
| 絶縁耐力 | AC2000V 1min. | |
| 絶縁抵抗 | 100MΩ以上 (DC500Vメガー) | |
| 寿命 | 機械的100万回 電気的50万回 | |
資料ダウンロード
CAD図と防爆検定証は登録制になります。
会員限定資料についてはログインしてからダウンロードしてください。
株式会社