産業用ジョイスティック(コントローラ)

産業用ジョイスティック(コントローラ)は、中央のハンドルを縦、および横方向に操作することで、接点(スイッチ)の開閉信号を出力させる装置です。
港湾クレーン、造船所、ごみ焼却施設など様々な場所で使用されています。
産業用ジョイスティックのメーカーとして、長年にわたり生産・販売をしており、国内はもとより、海外でも各業界から高い評価をいただいております。
今日、クレーン分野のニーズも年々高度化・多様化しています。お客様の多種多様化したニーズにお応えできる、様々なラインナップを用意しております。
ラインナップ
お客様の使用用途に応じて、ポテンショメータ、エンコーダを追加することも可能です。
MKL▢-▢・▢-▢
(標準、接点式)
MKL▢-▢P・▢P-▢
(接点+ポテンショメータ)
MKL▢-▢E・▢E-▢
(接点+エンコーダ)
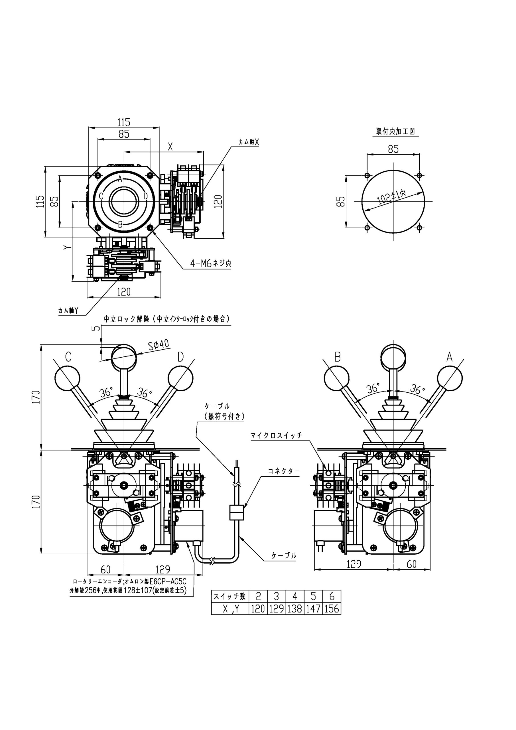
仕様
| 項目 | 内容 | |
|---|---|---|
| ハンドル部 | 操作角度 | 最大36° |
| ノッチ数 | 各方向5ノッチ(標準) | |
| 操作力 | 14.7N以下(ハンドル高さ170mmにて) | |
| 操作方式 | 自己保持 / 自動復帰 | |
| スロット形状 | ユニバーサル / 十字 / I字 | |
| 接点部 | 使用定格 | AC125V/10A AC250/10A AC500V/2A |
| 接点数 | 2接点より最大8接点 | |
| 使用接点 | Z形マイクロスイッチ | |
| 端子ねじ | M4 | |
| その他 | ポテンショメータ、エンコーダ取付可能 | |
| ケーブル引込口 | φ12~14、G3/4 (標準) | |
| 共通仕様 | 保護構造 | IP52相当(盤面取付にて) |
| 使用周囲温度 | -10℃~+40℃ | |
| 取付ねじ | 4-M6 (供給外) | |
| 絶縁耐力 | AC2000V 1min. | |
| 絶縁抵抗 | 100MΩ以上 (DC500Vメガー) | |
| 寿命 | 機械的100万回 電気的50万回 | |
バリエーション
ハンドル(ニギリ)については、お客様の使用用途に応じて、形状をお選びいただけます。
丸ニギリ
(標準、無表記)
ドロップ型
(H2)
中立ロック押釦解除式
(HA1)
ベローズレス、丸ニギリ
(TH1)
ベローズレス、ドロップ型
(TH2)
ベローズレス・中立ロック押釦解除式
(THA15)
資料ダウンロード
CAD図と防爆検定証は登録制になります。
会員限定資料についてはログインしてからダウンロードしてください。
株式会社