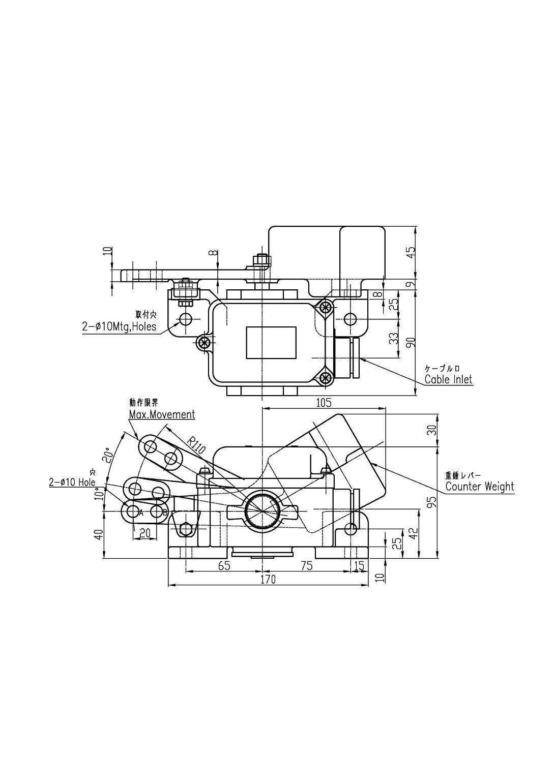
重錘形リミットスイッチ(レバー形)

重錘形リミットスイッチは、ワイヤーロープに吊り下げられた錘が、フックブロック等の上昇により押し上げられると、重錘レバーの重みでレバーが作動します。この動作により、接点(スイッチ)の開閉信号を出力させる装置です。
このスイッチは、特に安全性が重視される産業現場で広く使用されており、クレーンやホイストなどの巻き上げ装置の非常上限用として使用されます。
ラインナップ
お客様の使用用途に応じて、耐熱仕様、耐寒仕様を準備しておりますので過酷な環境下でも安心してご使用いただけます。
LWIO-abEBB
(標準仕様)
LWIO-abEBBH
(耐熱仕様、~+180度)
LWIO-abEBBC
(耐寒仕様、-25度~)
仕様
| 項目 | 内容 | |
|---|---|---|
| レバー部 | アクチュエータ | 重錘レバー |
| 適正重錘重量 | A穴:3±0.5kg(供給外) B穴:4±0.5kg(供給外) |
|
| 動作角度 | 30°(最大) | |
| 動作方式 | 自動復帰 | |
| 接点部 | 使用定格 | AC110V/10A AC220/5A AC440V/2.5A DC110V/0.2A DC220V/0.1A |
| 接点数 | 2接点 | |
| 端子ねじ | M5 | |
| 本体部 | ケース | アルミ合金 |
| 塗装色 | 5Y7/1近似 | |
| ケーブル引込口 | φ12~14、G3/4 (標準) | |
| 共通仕様 | 保護構造 | IP66相当 |
| 使用周囲温度 | -10℃~+80℃ (氷結が無いこと) | |
| 取付ねじ | 2-M8 (供給外) | |
| 絶縁耐力 | AC2000V 1min. | |
| 絶縁抵抗 | 100MΩ以上 (DC500Vメガー) | |
| 寿命 | 機械的100万回 電気的50万回 | |
資料ダウンロード
CAD図と防爆検定証は登録制になります。
会員限定資料についてはログインしてからダウンロードしてください。
株式会社