防爆押釦スイッチ(耐圧防爆)

防爆形押ボタンスイッチとは、爆発性ガスが発生する可能性があ場所で使用可能な押しボタンタイプのスイッチです。
ラインナップ
お客様の使用用途に応じて、押ボタン数や回路をお選びいただけます。
SJW4200
SJW4210
SJW4220
SJW4230
SJW4250
仕様
| 項目 | 内容 | |||||
|---|---|---|---|---|---|---|
| SJW4200 | SJW4210 | SJW4220 | SJW4230 | SJW4250 | ||
| 操作部 | アクチュエーター | 押釦 | ||||
| 使用定格 | AC250V/5A | |||||
| 釦数 | 1 | 1 | 2 | 2 | 3 | |
| 接点構成 | a接点 | b接点 | 1a・1b接点 | 2b接点 | 1a・1a・1b接点 | |
| 本体部 | ケース | アルミ合金 | ||||
| 塗装色 | N5.9近似 | |||||
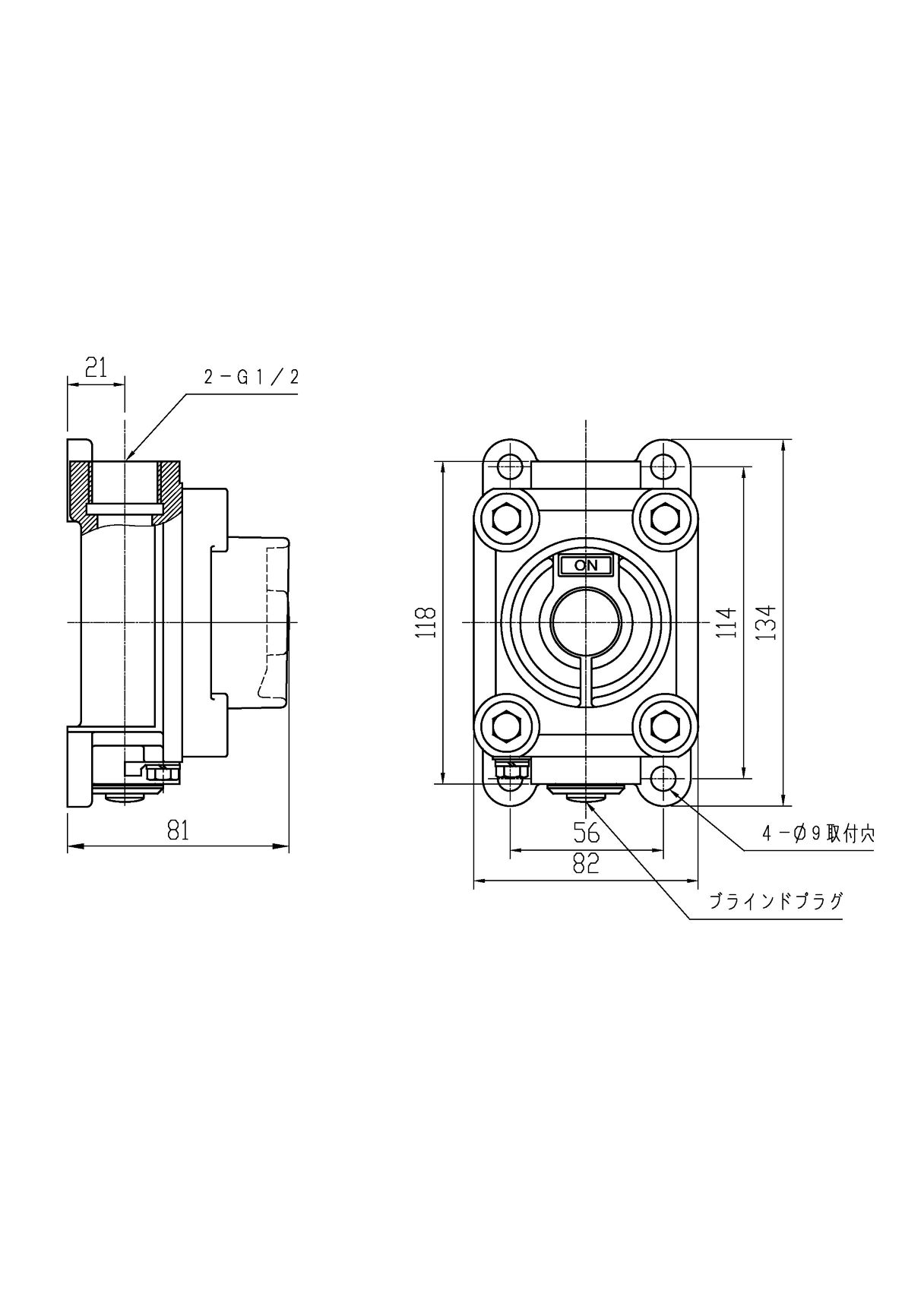
| ケーブル引込口 | 2-G1/2 | |||||
| 共通仕様 | 防爆構造 | d2G4 | ||||
| 使用周囲温度 | -10℃~+40℃ (氷結が無いこと) | |||||
| 取付ねじ | 4-M8(供給外) | |||||
| 絶縁耐力 | AC1500V 1min. | |||||
| 絶縁抵抗 | 100MΩ以上 (DC500Vメガー) | |||||
資料ダウンロード
CAD図と防爆検定証は登録制になります。
会員限定資料についてはログインしてからダウンロードしてください。
株式会社