防爆リミットスイッチ(粉じん防爆、レバー式)

粉じん防爆レバー形リミットスイッチとは、レバーが動作することで接点(スイッチ)の開閉信号を出力させる装置であり、粉じん爆発の危険がある環境で使用が可能です
移動する設備の自動停止や停止位置の検出などに使用します。産業機械などの安全操業に活躍しており、火力発電所など粉じん爆発の危険がある場所で使用されております。
ラインナップ
レバー形リミットスイッチは、その用途や目的により使用するタイプが異なります。
使用用途に合わせて、動作方式、レバー形状を選ぶことが可能です。
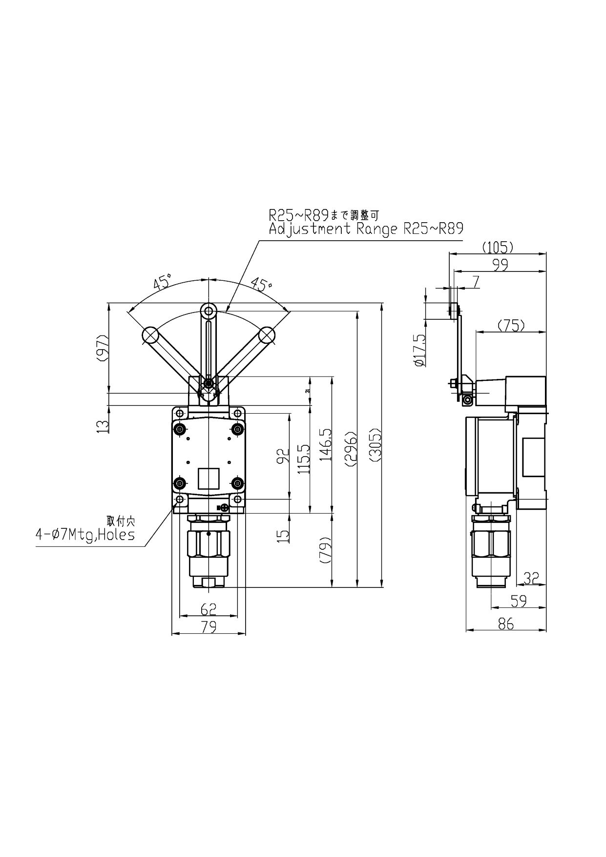
LSGY-1S100
(ショートレバー、自動復帰式)
LSGY-2S100
(可変レバー、自動復帰式)
LSGY-2S100C
(可変レバー、ケーブルグランド付)
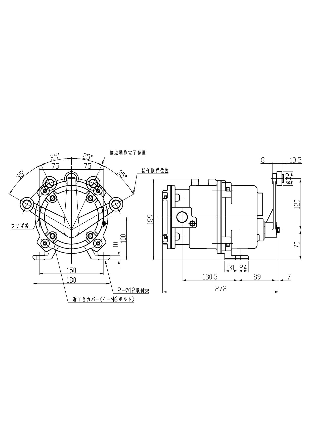
LYIA-M
(ローラーレバー、自動復帰式)
LYIA-V
(フォークレバー、自己保持式)
仕様
LSGY
| 項目 | 内容 | |
|---|---|---|
| レバー部 | アクチュエータ | ローラ付レバー |
| 動作角度 | 60°(最大) | |
| 動作方式 | 自動復帰 | |
| 接点部 | 使用定格 | AC110V/3A AC220V/2A DC110V/0.2A DC220V/0.1A |
| 接点数 | 2接点 | |
| 端子ねじ | M4 | |
| 本体部 | ケース | アルミ合金 |
| 塗装色 | 5Y7/1近似 | |
| ケーブル引込口 | P:電線管ねじ結合方式 G3/4(標準) C:耐圧パッキン方式 φ12~14、G3/4(標準) |
|
| 共通仕様 | 防爆構造(保護構造) | SDP-13(IP65相当) |
| 使用周囲温度 | -10℃~+40℃ (氷結が無いこと) | |
| 取付ねじ | 4-M6 (供給外) | |
| 絶縁耐力 | AC1500V 1min. | |
| 絶縁抵抗 | 100MΩ以上 (DC500Vメガー) | |
| 寿命 | 機械的100万回 電気的50万回 | |
LYIA
| 項目 | 内容 | ||
|---|---|---|---|
| LYIA-M | LYIA-V | ||
| レバー部 | アクチュエータ | ローラ付レバー | フォークレバー |
| 作動体動作速度 | 15㎜/min~100m/min | 15㎜/min~50m/min | |
| 動作角度 | 60°(最大) | 60° | |
| 動作方式 | 自動復帰 | 自己保持 | |
| 接点部 | 使用定格 | AC110V/10A AC220/10A AC440V/5A | |
| 接点数 | 2接点 | ||
| 端子ねじ | M4 | ||
| 本体部 | ケース | 鋳鉄 | |
| 塗装色 | 5Y7/1近似 | ||
| ケーブル引込口 | φ12~14、G3/4 (標準) | ||
| 共通仕様 | 防爆構造(保護構造) | SDP-13(IP65相当) | |
| 使用周囲温度 | -10℃~+40℃ (氷結が無いこと) | ||
| 取付ねじ | 2-M10 (供給外) | ||
| 絶縁耐力 | AC2000V 1min. | ||
| 絶縁抵抗 | 100MΩ以上 (DC500Vメガー) | ||
| 寿命 | 機械的100万回 電気的50万回 | ||
資料ダウンロード
CAD図と防爆検定証は登録制になります。
会員限定資料についてはログインしてからダウンロードしてください。
株式会社