防爆ブザー(耐圧防爆)

防爆ブザーは、爆発性ガスが発生する可能性がある危険な環境で使用可能な装置です。
連続鳴動で約500時間で高寿命です。
化学プラントや塗装工場など爆発性ガスが発生する可能性のある工場などで工場起動警報などの用途で使用されております。
ラインナップ
お客様の使用用途に応じて、ケーブルグランド付もお選びいただけます。
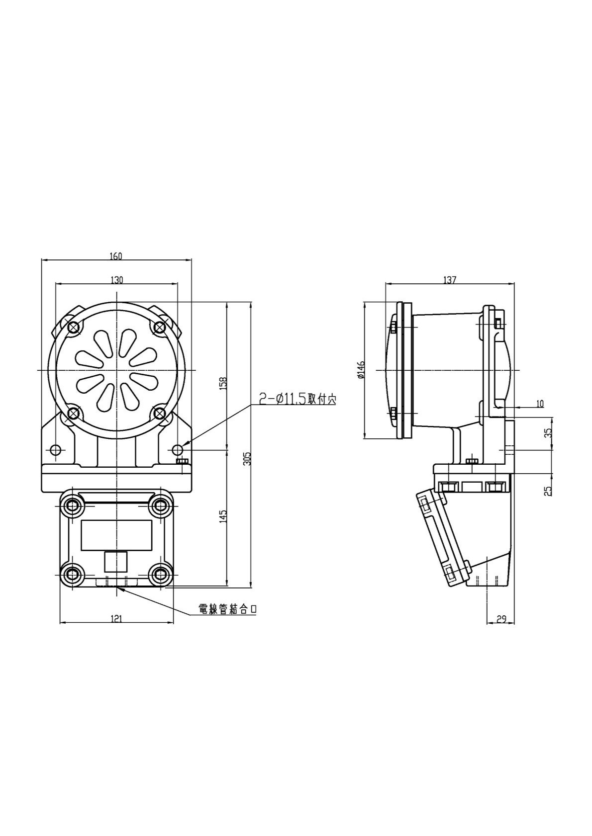
BXS-50-P
(電線管結合式、耐圧防爆d2G4)
BXS-50-C
(ケーブルグランド付、耐圧防爆d2G4)
仕様
| 項目 | 内容 | |
|---|---|---|
| 本体部 | ケース | 本体:鋳鉄 端子台部:アルミ合金 |
| 塗装色 | 7.5BG6/1.5近似 | |
| ケーブル引込口 | P:G3/4(標準) C:φ12~14、G3/4(標準) |
|
| 共通仕様 | 音量 | 95dB以上 ※1m離れて |
| 定格電圧 | AC100V(標準) | |
| 定格電気容量 | 50VA | |
| 防爆構造 | d2G4 | |
| 使用周囲温度 | -10℃~+40℃ (氷結が無いこと) | |
| 取付ねじ | 2-M10 (供給外) | |
| 絶縁耐力 | AC1200V 1min. | |
| 絶縁抵抗 | 100MΩ以上 (DC500Vメガー) | |
| 寿命 | 500時間(50時間毎の再調整を含む) | |
資料ダウンロード
CAD図と防爆検定証は登録制になります。
会員限定資料についてはログインしてからダウンロードしてください。
株式会社