防爆ベル(耐圧防爆、粉じん防爆)

防爆ベルは、爆発性ガス発生する可能性のある場所や粉じん爆発を生じるために十分な量の粉じんが空気中に浮遊するおそれがある場所で使用可能です。
防爆ベルは、長寿命設計となっており、交流タイプは約4,000時間、直流タイプは約500時間の連続鳴動寿命です。
耐圧防爆構造や粉じん防爆構造を備えており、産業現場での安全性を確保します。工場の起動警報など様々な用途で使用されております。
ラインナップ
お客様の使用用途に応じて、耐圧防爆形または粉じん防爆形をお選びいただけます。
ケーブルグランド付で製作することも可能です。
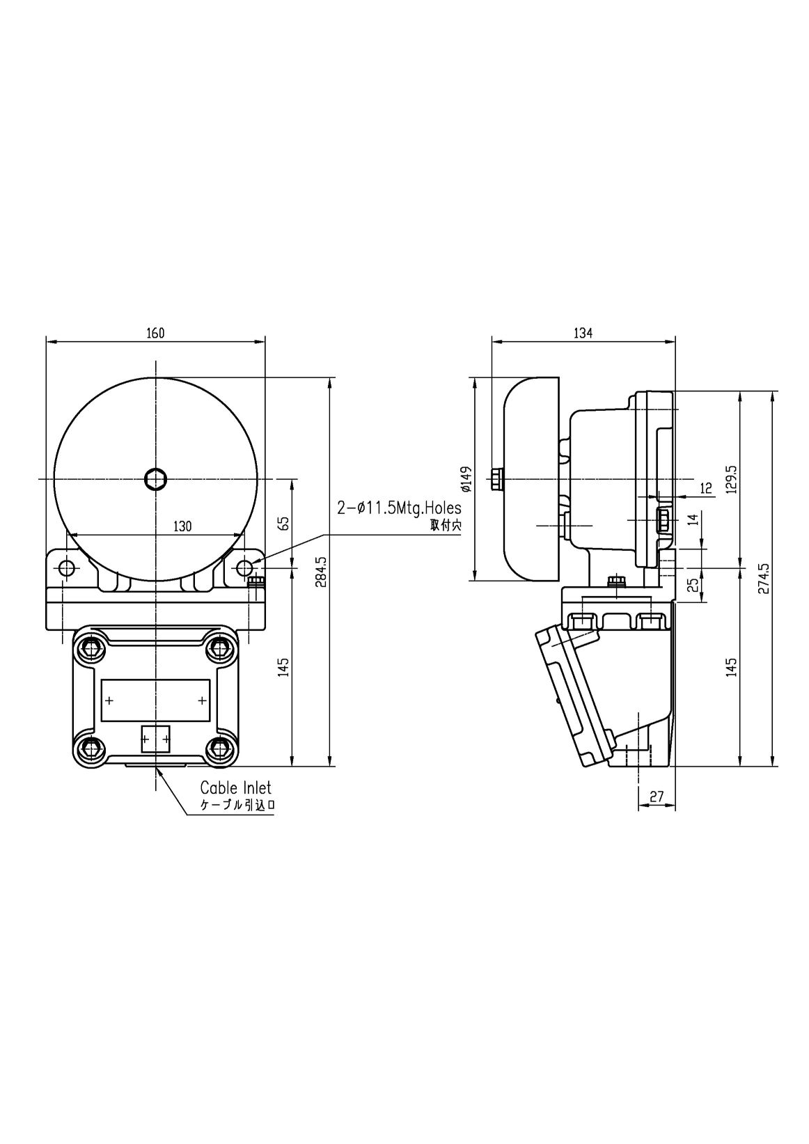
BX-15P
(電線管結合、耐圧防爆d2G4)
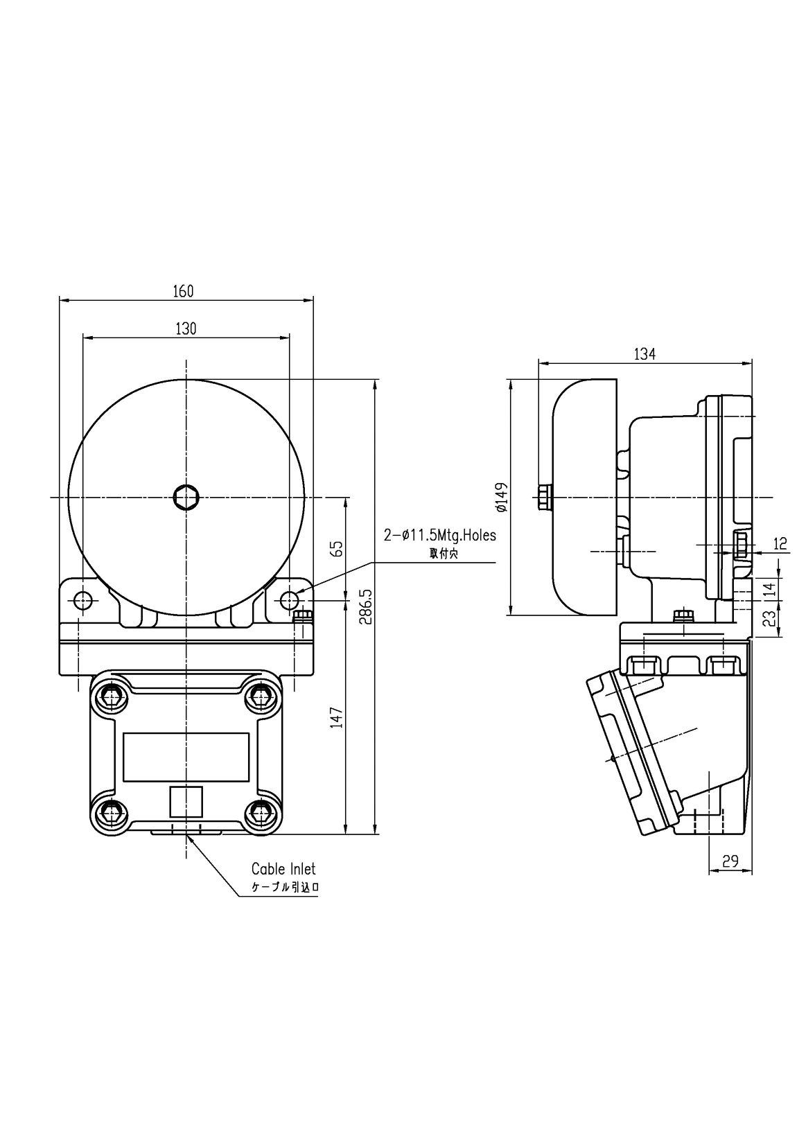
BY-15P
(電線管結合、粉じん防爆SDP-13)
BX-15C
(ケーブルグランド付、耐圧防爆d2G4)
BY-15C
(ケーブルグランド付、粉じん防爆SDP-13)
仕様
| 項目 | 内容 | ||
|---|---|---|---|
| BX-15 | BY-15 | ||
| 本体部 | ゴング径 | 約150mm(6インチ) | |
| ケース | ケース:アルミ合金 ゴング:鋼板 |
||
| ゴング | 鋼板 | ||
| 塗装色 | ゴング:2.5G6/3近似 本体:7.5BG6/1.5近似 |
||
| ケーブル引込口 | P:G3/4(標準) C:φ12~14、G3/4(標準) |
||
| 共通仕様 | 音量 | 85dB以上 ※1m離れて | |
| 定格電圧 | AC100V(標準) | ||
| 定格電気容量 | 22VA | ||
| 防爆構造 | d2G4 | SDP-15 | |
| 使用周囲温度 | -10℃~+40℃ (氷結が無いこと) | ||
| 取付ねじ | 2-M10 (供給外) | ||
| 絶縁耐力 | AC1200V 1min. | ||
| 絶縁抵抗 | 100MΩ以上 (DC500Vメガー) | ||
| 寿命 | 4000時間 | ||
資料ダウンロード
CAD図と防爆検定証は登録制になります。
会員限定資料についてはログインしてからダウンロードしてください。
株式会社