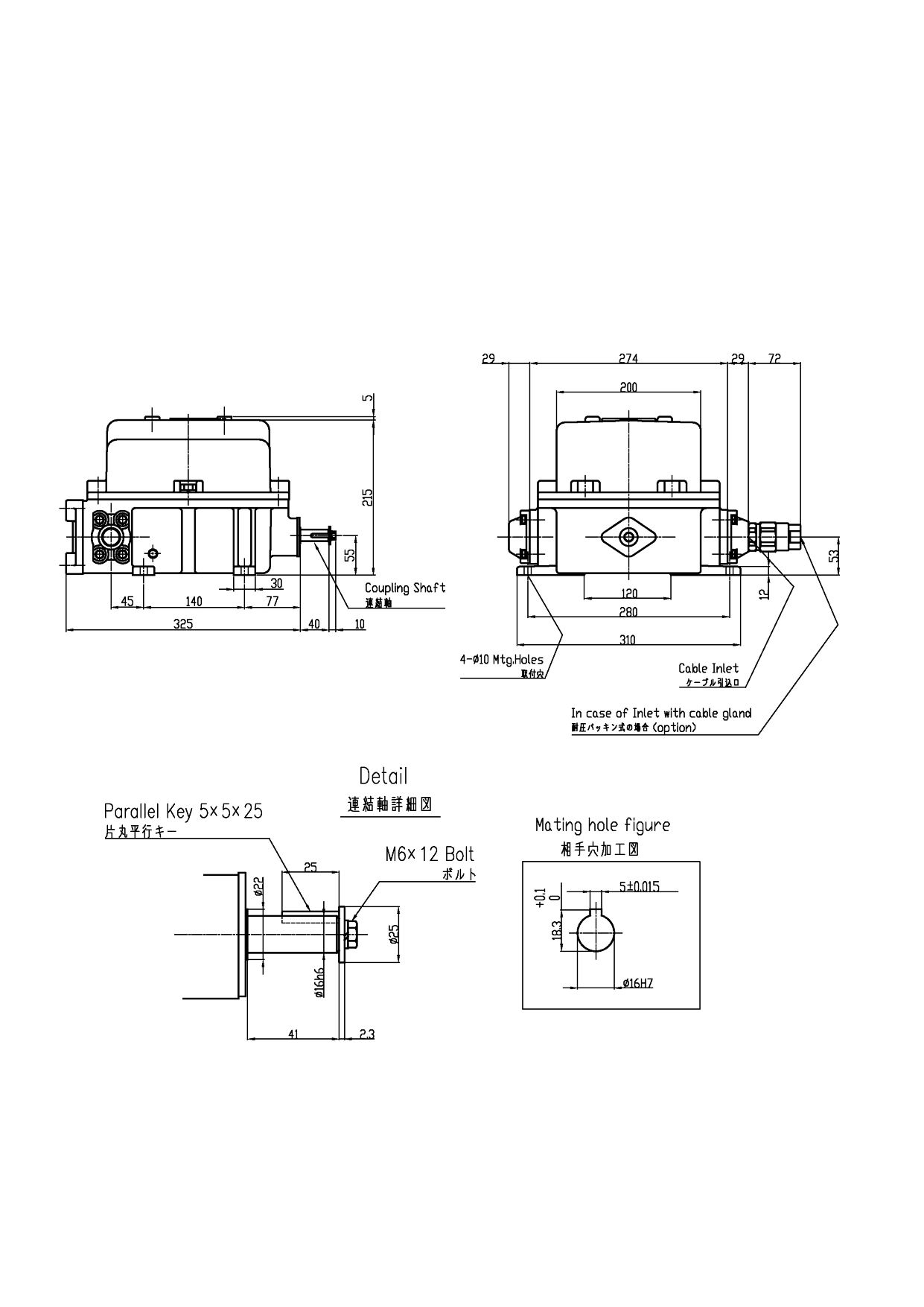
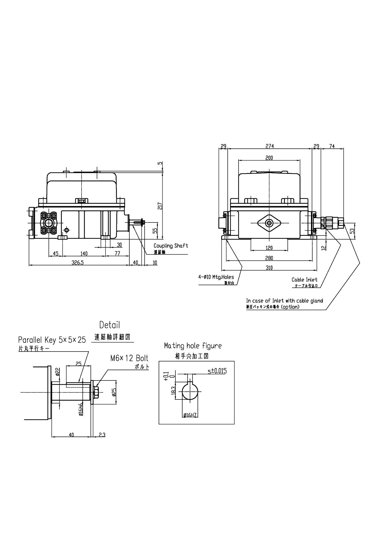
防爆リミットスイッチ(回転式、耐圧防爆/粉じん防爆)

防爆リミットスイッチ(回転式)は、連結軸より回転動作を検出し、内部のカムを介して接点(スイッチ)の開閉信号を出力させる装置であり、ガス爆発や粉じん爆発の危険がある環境で使用が可能です。
設備の回転動作を検出し、特定の位置や動作範囲を制御するために使用されます。産業機械などの安全操業に活躍しており、製鉄所、発電所の運炭設備や塗装工場など様々な場所で使用されております。
ラインナップ
お客様の使用用途に応じて、耐圧防爆形または粉じん防爆形をお選びいただけます。
PYLX-44B
(4接点式、耐圧防爆d2G4)
PYLY-44B
(4接点式、粉じん防爆SDP-13)
仕様
| 項目 | 内容 | ||
|---|---|---|---|
| PYLX(耐圧防爆) | PYLY(粉じん防爆) | ||
| 入力軸 | 軸径 | φ16 | |
| 最大回転数 | 50回転 ※減速比1/60の場合 (カム軸回転角度300°) |
||
| 減速比 | 1/60 (標準) ※ウォーム減速 (1/15、1/30、1/100製作可) |
||
| 接点部 | 使用定格 | AC110V/10A AC220/10A AC440V/5A |
|
| 接点数 | 4接点 | ||
| 端子ねじ | M4 | ||
| 本体部 | ケース | 鋳鉄 | |
| 塗装色 | 5Y7/1近似 | ||
| ケーブル引込口 | G3/4 (標準) | ||
| 共通仕様 | 防爆構造 | d2G4 | SDP-13 |
| 使用周囲温度 | -10℃~+40℃ (氷結が無いこと) | ||
| 取付ねじ | 4-M8 (供給外) | ||
| 絶縁耐力 | AC2000V 1min. | ||
| 絶縁抵抗 | 100MΩ以上 (DC500Vメガー) | ||
| 寿命 | 機械的100万回 電気的50万回 | ||
資料ダウンロード
CAD図と防爆検定証は登録制になります。
会員限定資料についてはログインしてからダウンロードしてください。
株式会社