レバー形リミットスイッチ

レバー形リミットスイッチとは、備え付けのレバーが動作することで接点(スイッチ)の開閉信号を出力させる装置です。
移動する設備の自動停止や停止位置の検出などに使用します。産業機械などの安全操業に活躍しており、港湾クレーンの位置検知など様々な場所で使用されております。
船舶、寒冷地、熱帯地向けに特別仕様も準備しておりますので過酷な環境下でも安心してご使用いただけます。
ラインナップ
レバー形リミットスイッチは、その用途や目的により使用するタイプが異なります。
使用用途に合わせて、動作方式、レバー形状を選ぶことが可能です。
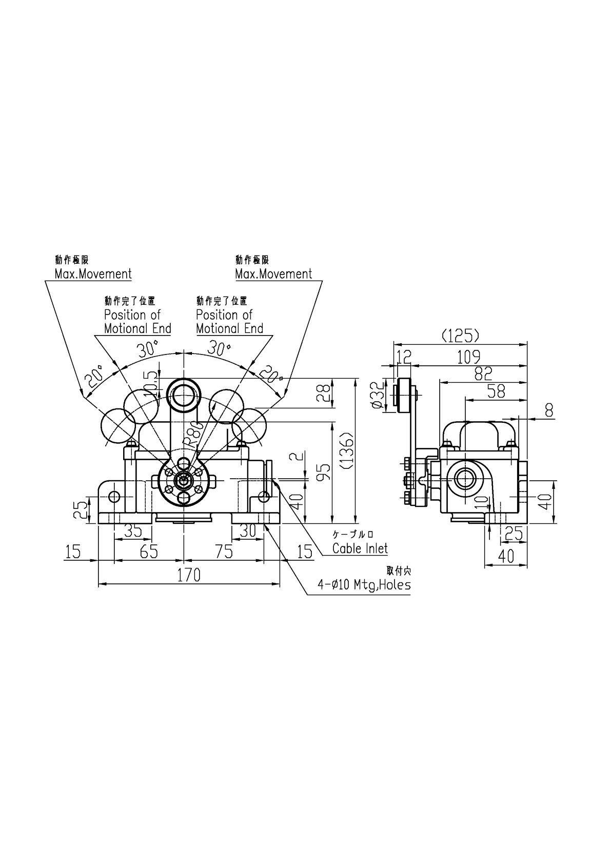
LWIO-abE
(ローラーレバー、自動復帰式)
LWIO-abLE
(フォークレバー、自己保持式)
LWIO-abXE
(十字レバー、自己保持式)
仕様
| 項目 | 内容 | ||
|---|---|---|---|
| LWIO-abE | LWIO-abLE | ||
| レバー部 | アクチュエータ | ローラ付レバー | フォークレバー |
| 作動体動作速度 | 15㎜/min~100m/min | 15㎜/min~50m/min | |
| 動作角度 | 50°(最大) | 90° | |
| 動作方式 | 自動復帰 | 自己保持 | |
| 接点部 | 使用定格 | AC110V/10A AC220/5A AC440V/2.5A DC110V/0.2A DC220V/0.1A |
|
| 接点数 | 2接点 | ||
| 端子ねじ | M5 | ||
| 本体部 | ケース | アルミ合金 | |
| 塗装色 | 5Y7/1近似 | ||
| ケーブル引込口 | φ12~14、G3/4 (標準) | ||
| 共通仕様 | 保護構造 | IP66相当 | |
| 使用周囲温度 | -10℃~+80℃ (氷結が無いこと) | ||
| 取付ねじ | 2-M8 (供給外) | ||
| 絶縁耐力 | AC2000V 1min. | ||
| 絶縁抵抗 | 100MΩ以上 (DC500Vメガー) | ||
| 寿命 | 機械的100万回 電気的50万回 | ||
バリエーション(耐環境形)
用途に合わせたレバー形状、ご使用の環境に合わせた特殊仕様もオーダーメイドで製作しております。
LWIO-S01B
(L字ロッドレバー)
LWIO-abEH
(耐熱仕様 ~+180度)
LWIO-abEC
(耐寒仕様 -25度~)
LWIO-SA1
(船舶仕様)
LWIO-SB3
(船舶仕様、フォークレバー)
LWIO-abEO
(レバー勝手違い取付)
資料ダウンロード
CAD図と防爆検定証は登録制になります。
会員限定資料についてはログインしてからダウンロードしてください。
株式会社