防爆コンセント(耐圧防爆)

防爆コンセント(耐圧防爆)は、爆発性ガスが発生する可能性のある場所で使用可能なコンセントです。
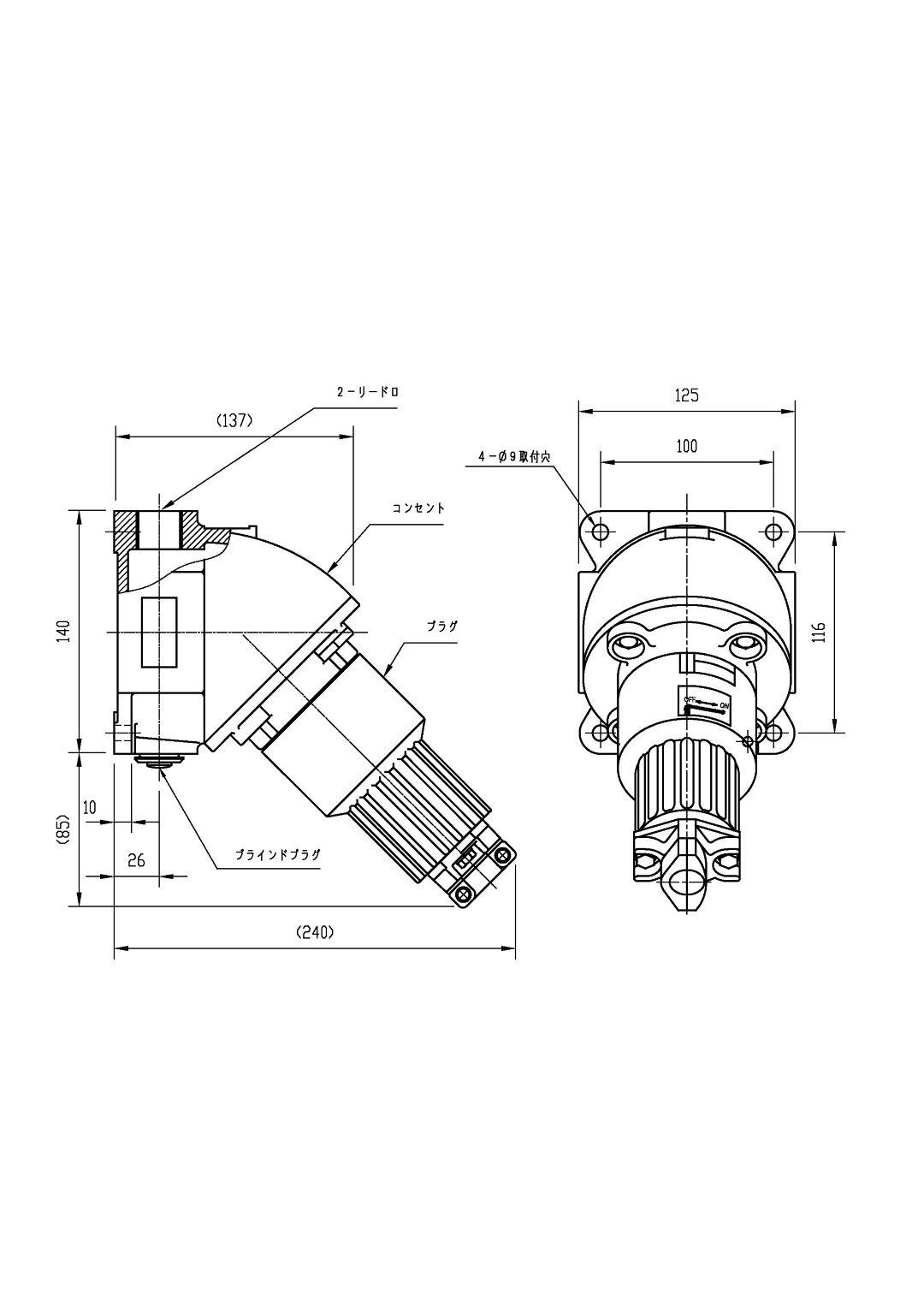
ラインナップ
使用用途に応じて、定格電流、極数、リード口のサイズをお選びいただけます。
SJW2430K
(3P(2P+E)、定格 250V 15A)
SJW2440K
(4P(3P+E)、定格 250V 15A)
SJW2832K
(3P(2P+E)、定格 250V 30A)
SJW2842K
(4P(3P+E)、定格 250V 30A)
仕様
| 項目 | 内容 | ||||
|---|---|---|---|---|---|
| SJW243□K | SJW244□K | SJW283□K | SJW284□K | ||
| プラグ部 | 局数 | 3P(2P+E) | 4P(3P+E) | 3P(2P+E) | 4P(3P+E) |
| 使用定格 | AC250V/15A | AC250V/30A | |||
| プラグ適用ケーブル | 3種3芯 キャブタイヤケーブル | 3種4芯 キャブタイヤケーブル | 3種3芯 キャブタイヤケーブル | 3種4芯 キャブタイヤケーブル |
|
| プラグ材質 | アルミ合金 | ||||
| 本体部 | ケース材質 | 鋳鉄 | |||
| 塗装色 | N5.9近似 | N1.0近似 | |||
| ケーブル引込口 | □=0: 2-G1/2 □=2: 2-G3/4 | □=2: 2-G3/4 □=3: 2-G1 |
|||
| 共通仕様 | 防爆構造 | d2G4 | |||
| 使用周囲温度 | -10℃~+40℃ (氷結が無いこと) | ||||
| 取付ねじ | 4-M8(供給外) | ||||
| 絶縁耐力 | AC1500V 1min. | ||||
| 絶縁抵抗 | 100MΩ以上 (DC500Vメガー) | ||||
資料ダウンロード
CAD図と防爆検定証は登録制になります。
会員限定資料についてはログインしてからダウンロードしてください。
株式会社